2 高精度濾油機—是一種預過濾并為系統注油及凈化系統油液的設備
9 濾筒除塵器—安裝方式分分為斜插式,側裝式,吊裝式,上裝式
10 自潔式空氣過濾器—有效過濾掉生產過程排放的含有細小的污染物質
11 袋式除塵器—應用于冶金,鑄造,礦山采掘,化工,水泥建材等
1 自潔式空氣過濾器—適用于空壓站,制氧站,空調送風系統,燃氣輪機等
2 大流量濾芯—大直徑設計,增加納污量,延長使用壽命,降低生產成本
4 燭式過濾器—高效節能,密閉高精,維護簡便,安全可靠等特點
6 天然氣濾芯—應用于天然氣 ,人工煤氣及其他非腐蝕性氣體等
10 LYC系列高精度濾油機—過濾新油,液壓潤滑系統工作時的旁路過濾等
13 濾筒除塵器—安裝方式分分為斜插式,側裝式,吊裝式,上裝式
3 金屬粉末濾芯—采用具有較高機械強度及整體鋼性的新型過濾材料
4 制冷過濾器濾芯—用以濾除較大的雜質,保護油泵,延長濾芯使用壽命
5 吸油過濾器—安裝方便,油通能力大,阻力小,更換濾芯方便等優點
7 壓力管路過濾器—應用于重型機械,礦山機械,冶金機械等液壓系統
8 大流量濾芯—大直徑設計,增加納污量,延長使用壽命,降低生產成本
10 PP微孔折疊濾芯—應用于電力,反滲透前級,石化,精細化工等領域
11 凝結水濾元—一般應用于電廠凝結水處理系統,過濾器內部安裝濾元
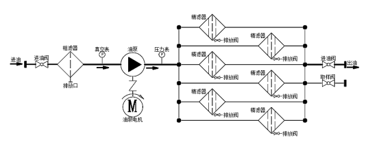
隨著液壓工業的飛速發展,對液壓系統工作的可靠性提出了更高要求,目前,液壓系統中的故障有70%左右是由于油液的污染造成的。高精密濾油機為控制液壓系統的污染程度,除了在液壓系統中安裝濾油器外,對于注入系統內的新油需用高精密濾油機進行預凈化處理,同時也可對液壓系統進行循環過濾,凈化系統油液。

性能優勢
對臟油回收具有一定的效果;
能濾除油液中雜質,及吸附部分水分;
可與各類用油系統的油液作加注或定期凈化過濾。
該濾油機有移動方便、操作簡單、性能可靠,結構緊湊,外形美觀、使用維修方便等特點,能連續不斷的進行油液凈化,將油中的污染顆粒和水分去除,過濾精度可達NAS1638-3級。

工作原理
采用純物理過濾方式對油液進行凈化處理,通過濾芯吸附攔截油液中的機械雜質和金屬粉末等有害顆粒物質,提高油液的清潔度,延長設備的使用壽命。
其工作原理為:待凈化油液經粗過濾器過濾后經油泵進入精密過濾器,最后潔凈油從出油口排出,完成整個過濾過程。

關注官方微信平臺
關注官方微博平臺
關注官方百家號
關注官方抖音平臺
關注官方快手平臺
關注官方視頻號平臺
豫公網安備41071102000221號
網站地圖
聯系我們
聲明:新廣告法規定所有頁面信息中不得出現極限化用詞,歡迎廣大消費者監督,發現有任何違反廣告法內容,可投訴至郵箱xxlq@lefilter.com



